SHIPPING ALERT: NOT ALL ITEMS LISTED ARE IN STOCK, + 3 DAYS FOR ITEMS IN US, + 4-6 WEEKS FOR ITEMS FROM GERMANY. ORDERS WITH NO VIN #S MAY BE PLACED ON HOLD. SHIPPING FEES ARE SUBJECT TO ADJUSTMENT.

Returns ordered from Porsche are now subject to a 20% restocking fee.

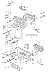
VALVE ACTUATOR - Porsche (997-105-301-00)

  • MSRP: $202.02
  • Discount: $33.24 (16.5% off)
  • Sale Price: $168.78
OR
Manufacturer Warranty Minimum of 12 Months
Guaranteed Fitment Always the correct parts
Shop with Confidence Your information is safe
In-House Experts We know our products

Details

  • Brand:

     Parts

  • SKU:

    997-105-301-00

  • Positions: Right
  • Other Names:

    Engine Variable Valve Timing (Vvt) Solenoid, Actuator

  • Description:

    Boxster. Right. Variable Valve Lift. Incl.Oil Control Valve.  #38 IN DIAGRAM

Vehicle Fitment

Vehicle Fitment
Year Make Model Body & Trim Engine & Transmission
( more fitments)
No fitment data available

Product Reviews