SHIPPING ALERT: NOT ALL ITEMS LISTED ARE IN STOCK, + 3 DAYS FOR ITEMS IN US, + 4-6 WEEKS FOR ITEMS FROM GERMANY. ORDERS WITH NO VIN #S MAY BE PLACED ON HOLD. SHIPPING FEES ARE SUBJECT TO ADJUSTMENT.

Returns ordered from Porsche are now subject to a 20% restocking fee.

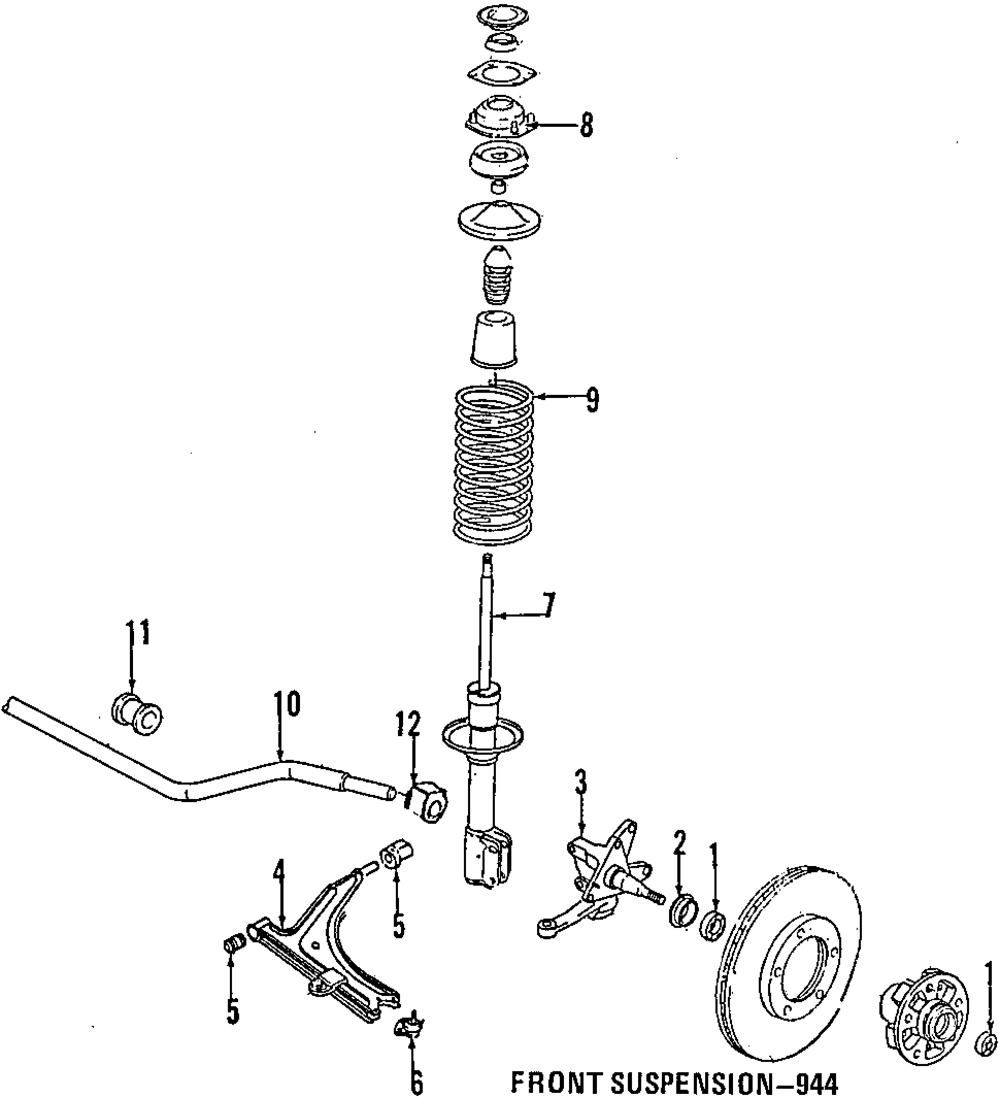
Control Arm - Porsche (951-341-028-00)

Part can be found as reference #4 in illustration

Control Arm - Porsche (951-341-028-00)

  • MSRP: $1,251.63
  • Discount: $352.02 (28.1% off)
  • Sale Price: $899.61
OR
Manufacturer Warranty Minimum of 12 Months
Guaranteed Fitment Always the correct parts
Shop with Confidence Your information is safe
In-House Experts We know our products

Details

  • Brand:

     Parts

  • SKU:

    951-341-028-00

  • Positions: Right, Right Lower
  • Other Names:

    Lower Control Arm, Wishbone

  • Description:

    Without turbo. 944. Right.

  • Applications: 944.

Vehicle Fitment

Vehicle Fitment
Year Make Model Body & Trim Engine & Transmission
( more fitments)
No fitment data available

Product Reviews